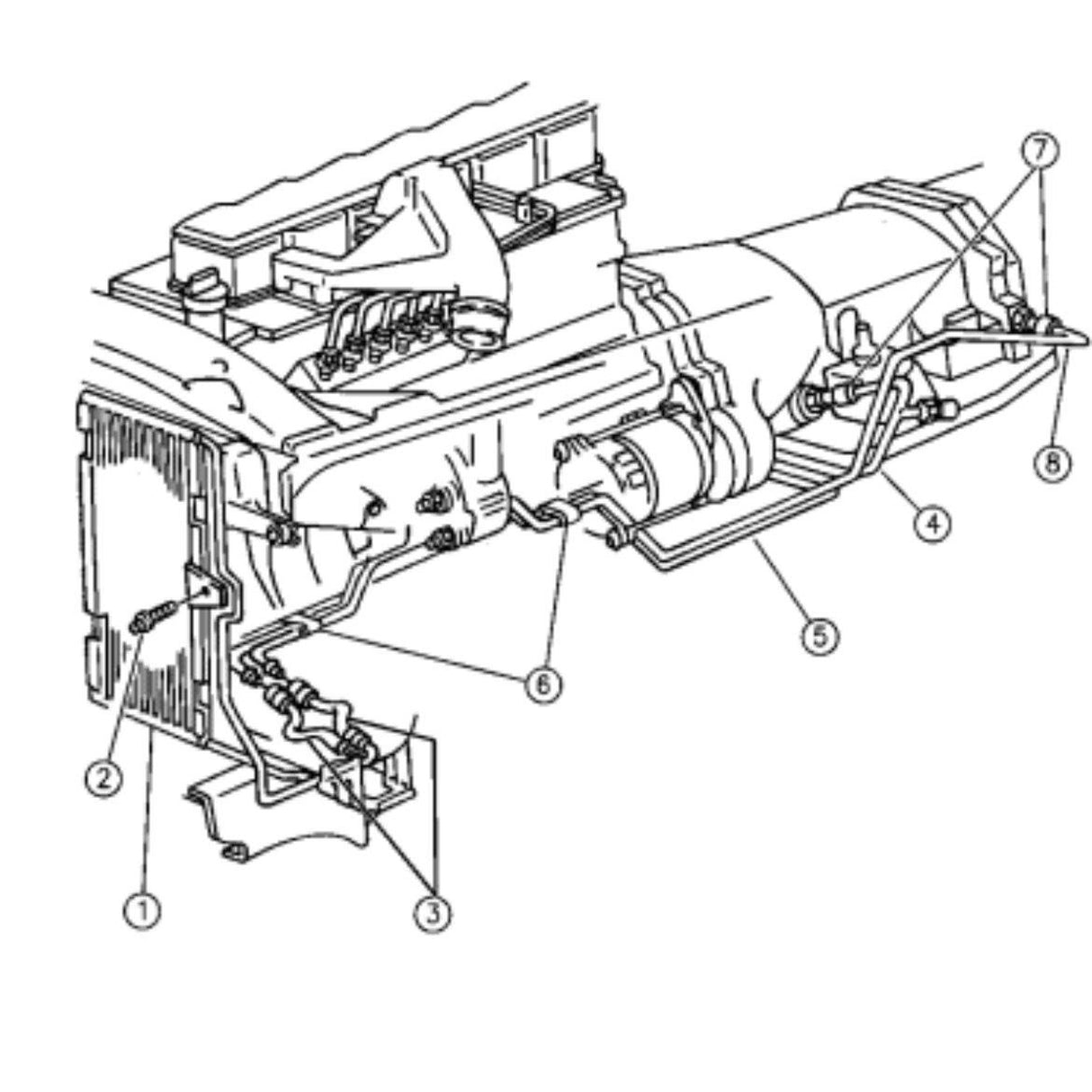
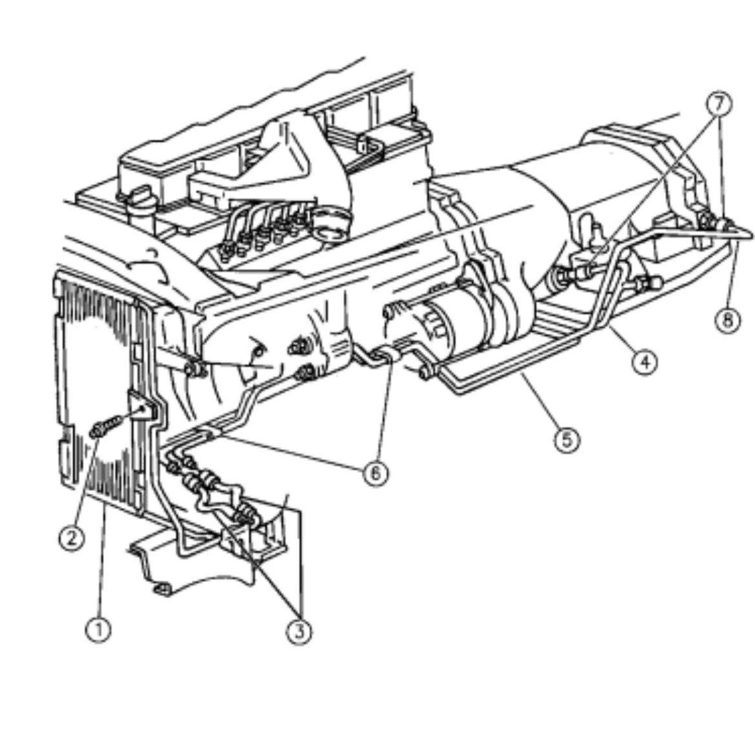
Leaking transmission lines? Look no further then Full Send Diesels AN braided replacement hoses. Our hoses are made from only the best AN fittings and braided hose that the market has to offer. This hose is designed to replace the factory transmission line. As always this kit is backed by our lifetime workmanship warranty. 
- This hose replaces Number 5 in the diagram. The hose goes from the heat exchanger on the passenger side of the engine block to the transmission cooler. All fittings needed to install are included. 
What’s included?
(1) Replacement Transmission Line
(1) Heat Exchanger adaptor fitting
(1) Transmission cooler adaptor fitting
 
          
 
      
 
       
         
 
 
 
 
